- Get link
- X
- Other Apps
- Get link
- X
- Other Apps
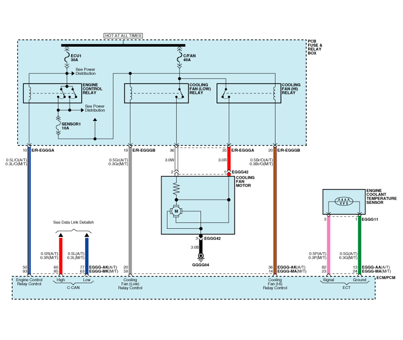
2014 Kia Wiring Diagrams Kia Rio Wiring Diagram
Kia sportage manual owner owners. Vauxhall corsa. Isuzu d-max workshop repair manual
2014 kia wiring diagrams
Download PDF
- Get link
- X
- Other Apps

















Comments
Post a Comment